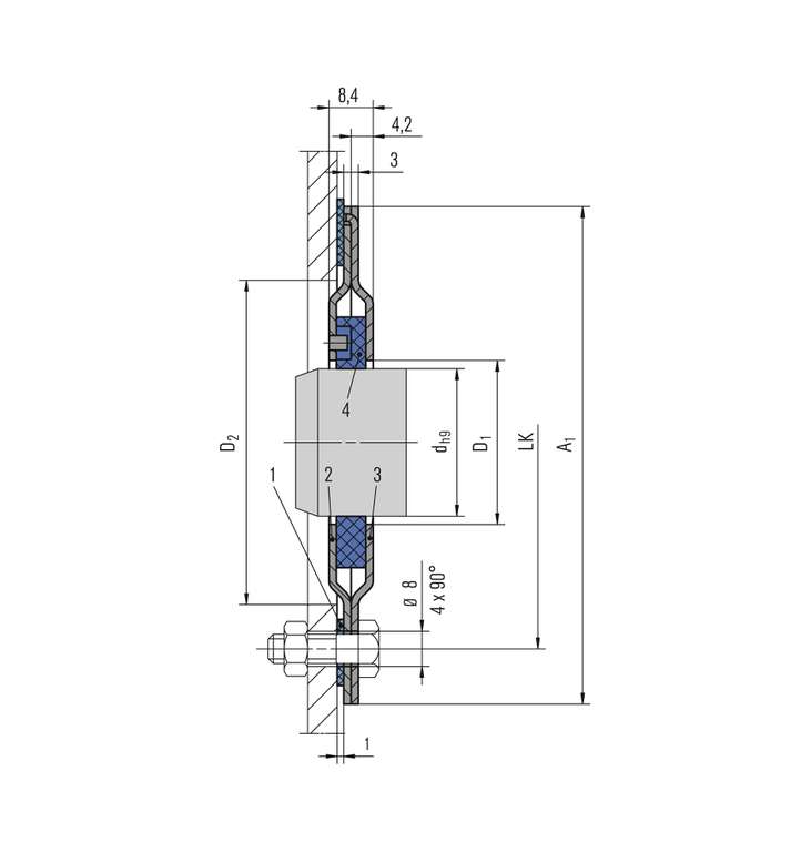
Item Description
1 Flat seal
2 Housing half
3 Housing half
4 Seal ring

Espey WKA3

Features

  • Cartridge seal
  • Standardized dimensions
  • Short axial installation length (8.4 mm)
  • Dry running
  • Seal ring bears radial shaft movements
  • Compensates axial shaft movements
  • No sealing components mounted on the shaft and hence no additional shaft vibrations
  • Seal rings running contact-free - sliding faces and machine consume no additional power
  • One-piece seal ring (initial delivery)

Advantages

  • Easy installation
  • High reliability
  • Maintainability
  • Long-term operating time
  • Alternative to radial shaft seal ring

Operating range

Shaft diameter:
d = 28 ... 80 mm (1.10" … 3.15")
Operating pressure: p = 1.075 bar (16 PSI) abs.
Operating temperature:
t = max. +200 °C (392 °F)
Sliding velocity:
vg = max. 40 m/s (131 ft/s)
Radial play: ±2.0 … 4.0 mm (±0.08" … 0.16")
Axial movement: theoretically unlimited

Materials

Seal ring: PTFE compound
Housing: 1.4301
Tension spring: 1.4571

Standards and approvals

  • FDA

Similar products

Espey Magna500+ the large seal for diameters from 500 mm

  • Split housing design
  • Segmented and self-adjusting seal rings
  • Virtually maintenance- and wearfree
  • Dry-running
  • Suitable for horizontal and vertical use

Espey WD200

  • Split housing design
  • Multi-part seal rings, radially cut
  • Very small operation gap - low leakage
  • Dry running
  • Self-adjusting seal rings
  • Seal rings bear radial shaft movements
  • Compensates axial shaft movements
  • No sealing components mounted on the shaft and hence no additional shaft vibrations
  • Seal rings running contact-free - sliding faces and machine consume no additional power

Espey WD200/500

  • Multi-part seal rings, radially cut on process side, overlapped mortised with gas tight joints on atmosphere side (adjusting)
  • Split housing design
  • Lowest possible operation gap - lowest leakage
  • Dry running
  • Self-adjusting seal rings
  • Seal rings bear radial shaft movements
  • Compensates axial shaft movements
  • Short axial installation length
  • No sealing components mounted on the shaft and hence no additional shaft vibrations
Contact

Inquire about individual solutions

We develop and produce customer-specific special and individual solutions for every application.

Inquire now Discover reference projects
Back to the overview