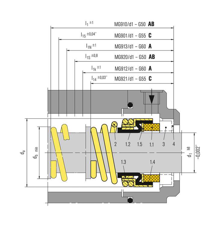
| Item | Part no. to DIN 24250 |
Description |
| 1.1 | 472 | Seal face |
| 1.2 | 481 | Bellows |
| 1.3 | 485 | Driver collar |
| 1.4 | 484.1 | “L” ring (spring collar) |
| 1.5 | 474 | Washer |
| 2 | 477 | Spring |
| 3 | 475 | Seat |
| 4 | 412 | Rubber cup |
The MG9 can also be used as a multiple seal in tandem or in a back-to-back arrangement. Installation proposals can be supplied on request.
The entire MG9 series is available in metric and inch sizes.