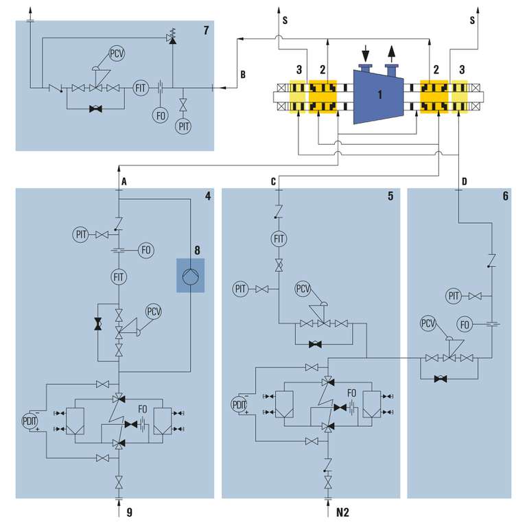
Gas supply systems of the GSS range are specially designed for contact-free operated, gas-lubricated mechanical seals. The gas supplied from the supply network (e.g. air or nitrogen) is regulated/monitored by the GSS in accordance with the requirements of the seals being supplied. The GSS systems are equipped with alarm and/or switch-off points depending on specific safety requirements. Centralized monitoring of the measurement values is also possible on request.
Circulation in accordance with API 682 / ISO 21 049:
Plan 72,
Plan 74